Metric Series Flange Miniature Ball Bearings är en typ av lager som används i stor utsträckning i precisionsmaskiner, särskilt lämpliga för utrustning med begränsade utrymmen och högpresterande krav. Sådana lager tillverkas vanligtvis av högkvalitativa material för att säkerställa deras hållbarhet och stabilitet. Dess flänsdesign ger ytterligare stöd, underlättar installationen och kan också effektivt minska förskjutningen av lagret under drift. Viktiga egenskaper hos detta mini -kulslagret inkluderar en låg friktionskoefficient, hög rotationshastighetsförmåga och utmärkt belastningskapacitet. De är lämpliga för en mängd olika applikationer som elverktyg, robotar, skrivare och små motorer. När det gäller design uppmärksammar Metric Series Flange Miniature Ball -lager också detaljer och finns vanligtvis i olika storlekar och konfigurationer för att tillgodose behoven hos olika utrustning. Lager är vanligtvis för smörjade eller förseglade.
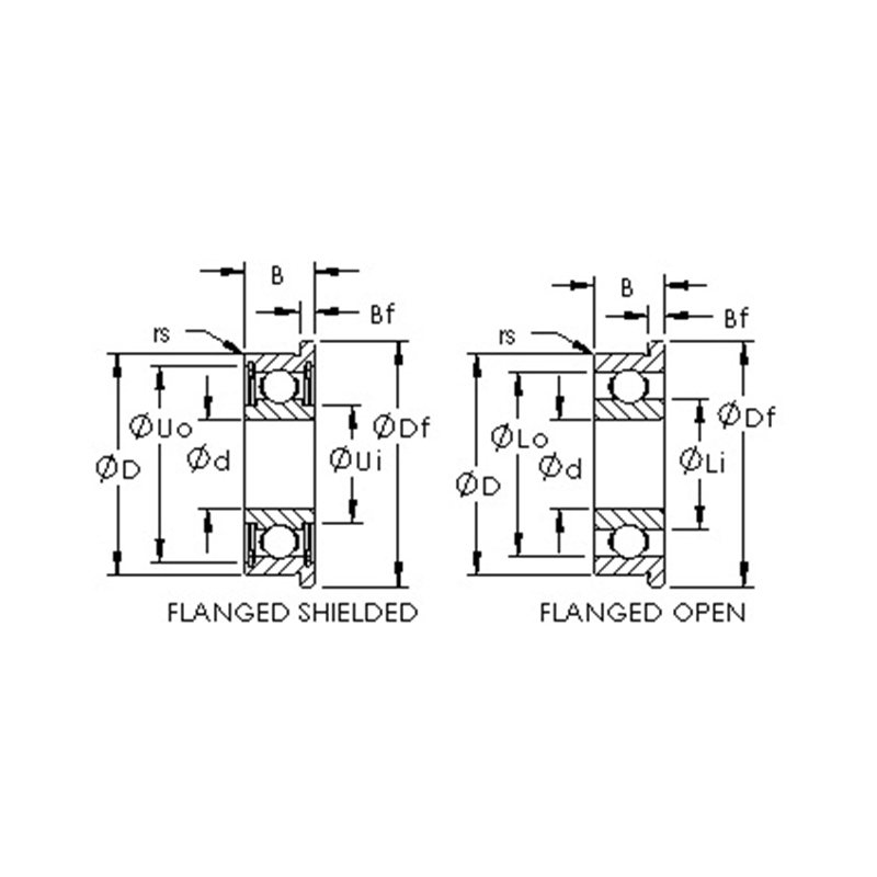
Produktparametrar
| Produktnummer | Betoningstyp | Dimensioner (mm) | Grundbelastningsgrad (N) | |||||
| d | D | B | Df | Bf | Dynamisk lastbetyg (CR) | Statisk lastbetyg (COR) | ||
| F691 | Öppna flänsade kullager | 1 | 4 | 1.6 | 5 | 0.5 | 120 | 30 |
| Mf41x | Öppna flänsade kullager | 1.2 | 4 | 1.8 | 4.8 | 0.4 | 95 | 26 |
| F681x | Öppna flänsade kullager | 1.5 | 4 | 1.2 | 5 | 0.4 | 95 | 26 |
| F681xzz | Förseglade flänsade kullager | 1.5 | 4 | 2 | 5 | 0.6 | 95 | 26 |
| F691x | Öppna flänsade kullager | 1.5 | 5 | 2 | 6.5 | 0.6 | 144 | 40 |
| F691xzz | Förseglade flänsade kullager | 1.5 | 5 | 2.6 | 6.5 | 0.8 | 144 | 40 |
| F601x | Öppna flänsade kullager | 1.5 | 6 | 2.5 | 7.5 | 0.6 | 281 | 79 |
| F601xzz | Förseglade flänsade kullager | 1.5 | 6 | 3 | 7.5 | 0.8 | 281 | 79 |
| F682 | Öppna flänsade kullager | 2 | 5 | 1.5 | 6.1 | 0.5 | 144 | 40 |
| F682 2RS | Förseglade flänsade kullager | 2 | 5 | 1.5 | 6.1 | 0.5 | 144 | 40 |
| F682zz | Förseglade flänsade kullager | 2 | 5 | 2.3 | 6.1 | 0.6 | 144 | 40 |
| Mf52 | Öppna flänsade kullager | 2 | 5 | 2 | 6.2 | 0.6 | 144 | 40 |
| MF52 2RS | Förseglade flänsade kullager | 2 | 5 | 2 | 6.2 | 0.6 | 144 | 40 |
| Mf52zz | Förseglade flänsade kullager | 2 | 5 | 2.5 | 6.2 | 0.6 | 144 | 40 |
| F692 | Öppna flänsade kullager | 2 | 6 | 2.3 | 7.5 | 0.6 | 281 | 79 |
| F692 2RS | Förseglade flänsade kullager | 2 | 6 | 3 | 7.5 | 0.8 | 281 | 79 |
| F692zz | Förseglade flänsade kullager | 2 | 6 | 3 | 7.5 | 0.8 | 281 | 79 |
| Mf62 | Öppna flänsade kullager | 2 | 6 | 2.5 | 7.2 | 0.6 | 281 | 79 |
| MF62 2RS | Förseglade flänsade kullager | 2 | 6 | 2.5 | 7.2 | 0.6 | 281 | 79 |
| Mf62zz | Förseglade flänsade kullager | 2 | 6 | 2.5 | 7.2 | 0.6 | 281 | 79 |
| Mf72 | Öppna flänsade kullager | 2 | 7 | 2.5 | 8.2 | 0.6 | 328 | 103 |
| MF72 2RS | Förseglade flänsade kullager | 2 | 7 | 3 | 8.2 | 0.6 | 328 | 103 |
| Mf72zz | Förseglade flänsade kullager | 2 | 7 | 3 | 8.2 | 0.6 | 328 | 103 |
| F602 | Öppna flänsade kullager | 2 | 7 | 2.8 | 8.5 | 0.7 | 328 | 103 |
| F602 2RS | Förseglade flänsade kullager | 2 | 7 | 2.8 | 8.5 | 0.7 | 328 | 103 |
| F602zz | Förseglade flänsade kullager | 2 | 7 | 3.5 | 8.5 | 0.9 | 328 | 103 |
| F682x | Öppna flänsade kullager | 2.5 | 6 | 1.8 | 7.1 | 0.5 | 178 | 59 |
| F682X 2RS | Förseglade flänsade kullager | 2.5 | 6 | 1.8 | 7.1 | 0.5 | 178 | 59 |
| F682xzz | Förseglade flänsade kullager | 2.5 | 6 | 2.6 | 7.1 | 0.8 | 178 | 59 |
| F692x | Öppna flänsade kullager | 2.5 | 7 | 2.5 | 8.5 | 0.7 | 328 | 103 |
| F692X 2RS | Förseglade flänsade kullager | 2.5 | 7 | 3.5 | 8.5 | 0.9 | 328 | 103 |
| F692xzz | Förseglade flänsade kullager | 2.5 | 7 | 3.5 | 8.5 | 0.9 | 328 | 103 |
| Mf82x | Öppna flänsade kullager | 2.5 | 8 | 2.5 | 9.2 | 0.6 | 180 | 67 |
| MF82X 2RS | Förseglade flänsade kullager | 2.5 | 8 | 2.5 | 9.2 | 0.6 | 180 | 67 |
| Mf82xzz | Förseglade flänsade kullager | 2.5 | 8 | 2.5 | 9.2 | 0.6 | 180 | 67 |
| F602x | Öppna flänsade kullager | 2.5 | 8 | 2.8 | 9.5 | 0.7 | 469 | 142 |
| F602X 2RS | Förseglade flänsade kullager | 2.5 | 8 | 4 | 9.5 | 0.9 | 469 | 142 |
| F602xzz | Förseglade flänsade kullager | 2.5 | 8 | 4 | 9.5 | 0.9 | 469 | 142 |
| Mf63 | Öppna flänsade kullager | 3 | 6 | 2 | 7.2 | 0.6 | 178 | 59 |
| MF63 2RS | Förseglade flänsade kullager | 3 | 6 | 2 | 7.2 | 0.6 | 178 | 59 |
| Mf63zz | Förseglade flänsade kullager | 3 | 6 | 2.5 | 7.2 | 0.6 | 178 | 59 |
| F683 | Öppna flänsade kullager | 3 | 7 | 2 | 8.1 | 0.5 | 264 | 90 |
| F683 2RS | Förseglade flänsade kullager | 3 | 7 | 3 | 8.1 | 0.8 | 264 | 90 |
| F683zz | Förseglade flänsade kullager | 3 | 7 | 3 | 8.1 | 0.8 | 264 | 90 |
| Mf83 | Öppna flänsade kullager | 3 | 8 | 2.5 | 9.2 | 0.6 | 336 | 113 |
| MF83 2RS | Förseglade flänsade kullager | 3 | 8 | 2.5 | 9.2 | 0.6 | 336 | 113 |
| Mf83zz | Förseglade flänsade kullager | 3 | 8 | 3 | 9.2 | 0.6 | 336 | 113 |
| F693 | Öppna flänsade kullager | 3 | 8 | 3 | 9.5 | 0.7 | 474 | 114 |
| F693 2RS | Förseglade flänsade kullager | 3 | 8 | 4 | 9.5 | 0.9 | 474 | 144 |
| F693zz | Förseglade flänsade kullager | 3 | 8 | 4 | 9.5 | 0.9 | 474 | 144 |
| Mf93 | Öppna flänsade kullager | 3 | 9 | 2.5 | 10.2 | 0.6 | 485 | 151 |
| MF93 2R | Förseglade flänsade kullager | 3 | 9 | 2.5 | 10.2 | 0.6 | 485 | 151 |
| Mf93zz | Förseglade flänsade kullager | 3 | 9 | 4 | 10.6 | 0.8 | 485 | 151 |
| F603 | Öppna flänsade kullager | 3 | 9 | 3 | 10.5 | 0.7 | 230 | 151 |
| F603 2RS | Förseglade flänsade kullager | 3 | 9 | 5 | 10.5 | 0.7 | 230 | 151 |
| F603zz | Förseglade flänsade kullager | 3 | 9 | 5 | 10.5 | 1 | 230 | 151 |
| F623 | Öppna flänsade kullager | 3 | 10 | 4 | 11.5 | 1 | 536 | 175 |
| F623 2RS | Förseglade flänsade kullager | 3 | 10 | 4 | 11.5 | 1 | 536 | 175 |
| F623zz | Förseglade flänsade kullager | 3 | 10 | 4 | 11.5 | 1 | 536 | 175 |
| Mf74 | Öppna flänsade kullager | 4 | 7 | 2 | 8.2 | 0.6 | 264 | 92 |
| MF74 2RS | Förseglade flänsade kullager | 4 | 7 | 2 | 8.2 | 0.6 | 264 | 92 |
| Mf74zz | Förseglade flänsade kullager | 4 | 7 | 2.5 | 8.2 | 0.6 | 217 | 86 |
| Mf84 | Öppna flänsade kullager | 4 | 8 | 2 | 9.2 | 0.6 | 336 | 113 |
| MF84 2RS | Förseglade flänsade kullager | 4 | 8 | 2 | 9.2 | 0.6 | 336 | 113 |
| Mf84zz | Förseglade flänsade kullager | 4 | 8 | 3 | 9.2 | 0.6 | 336 | 113 |
| F684 | Öppna flänsade kullager | 4 | 9 | 2.5 | 10.3 | 0.6 | 545 | 182 |
| F684 2RS | Förseglade flänsade kullager | 4 | 9 | 4 | 10.3 | 1 | 545 | 182 |
| F684zz | Förseglade flänsade kullager | 4 | 9 | 4 | 10.3 | 1 | 545 | 182 |
| MF104 | Öppna flänsade kullager | 4 | 10 | 3 | 11.2 | 0.6 | 604 | 218 |
| MF104 2RS | Förseglade flänsade kullager | 4 | 10 | 4 | 11.6 | 0.8 | 604 | 218 |
| Mf104zz | Förseglade flänsade kullager | 4 | 10 | 4 | 11.6 | 0.8 | 604 | 218 |
| F694 | Öppna flänsade kullager | 4 | 11 | 4 | 12.5 | 1 | 814 | 280 |
| F694 2RS | Förseglade flänsade kullager | 4 | 11 | 4 | 12.5 | 1 | 814 | 280 |
| F694zz | Förseglade flänsade kullager | 4 | 11 | 4 | 12.5 | 1 | 814 | 280 |
| F604 | Öppna flänsade kullager | 4 | 12 | 4 | 13.5 | 1 | 814 | 280 |
| F604 2RS | Förseglade flänsade kullager | 4 | 12 | 5 | 13.5 | 1 | 814 | 280 |
| F604zz | Förseglade flänsade kullager | 4 | 12 | 5 | 13.5 | 1 | 814 | 280 |
| F624 | Öppna flänsade kullager | 4 | 13 | 5 | 15 | 1 | 1106 | 390 |
| F624 2RS | Förseglade flänsade kullager | 4 | 13 | 5 | 15 | 1 | 1106 | 390 |
| F624zz | Förseglade flänsade kullager | 4 | 13 | 5 | 15 | 1 | 1106 | 390 |
| F634 | Öppna flänsade kullager | 4 | 16 | 5 | 18 | 1 | 1139 | 418 |
| F634 2RS | Förseglade flänsade kullager | 4 | 16 | 5 | 18 | 1 | 1139 | 418 |
| F634zz | Förseglade flänsade kullager | 4 | 16 | 5 | 18 | 1 | 1139 | 418 |
| Mf85 | Öppna flänsade kullager | 5 | 8 | 2 | 9.2 | 0.6 | 262 | 96 |
| MF85 2RS | Förseglade flänsade kullager | 5 | 8 | 2.5 | 9.2 | 0.6 | 185 | 72 |
| Mf85zz | Förseglade flänsade kullager | 5 | 8 | 2.5 | 9.2 | 0.6 | 185 | 72 |
| Mf95 | Öppna flänsade kullager | 5 | 9 | 2.5 | 10.2 | 0.6 | 366 | 135 |
| MF95 2RS | Förseglade flänsade kullager | 5 | 9 | 3 | 10.2 | 0.6 | 366 | 135 |
| MF95ZZ | Förseglade flänsade kullager | 5 | 9 | 3 | 10.2 | 0.6 | 366 | 135 |
| MF105 | Öppna flänsade kullager | 5 | 10 | 3 | 11.2 | 0.6 | 366 | 135 |
| MF105 2RS | Förseglade flänsade kullager | 5 | 10 | 4 | 11.6 | 0.8 | 366 | 135 |
| Mf105zz | Förseglade flänsade kullager | 5 | 10 | 4 | 11.6 | 0.8 | 366 | 135 |
| Mf115 2RS | Förseglade flänsade kullager | 5 | 11 | 4 | 12.6 | 0.8 | 609 | 226 |
| Mf115zz | Skärmade flänsade kullager | 5 | 11 | 4 | 12.6 | 0.8 | 609 | 226 |
| MF115 | Öppna flänsade kullager | 5 | 11 | 4 | 12.6 | 0.8 | 609 | 226 |
| F685 | Öppna flänsade kullager | 5 | 11 | 3 | 12.5 | 0.8 | 609 | 226 |
| F685 2RS | Förseglade flänsade kullager | 5 | 11 | 5 | 12.5 | 1 | 609 | 226 |
| F685zz | Förseglade flänsade kullager | 5 | 11 | 5 | 12.5 | 1 | 609 | 226 |
| F695 | Öppna flänsade kullager | 5 | 13 | 4 | 15 | 1 | 916 | 346 |
| F695 2RS | Förseglade flänsade kullager | 5 | 13 | 4 | 15 | 1 | 916 | 346 |
| F695zz | Förseglade flänsade kullager | 5 | 13 | 4 | 15 | 1 | 916 | 346 |
| F605 | Öppna flänsade kullager | 5 | 14 | 5 | 16 | 1 | 1130 | 406 |
| F605 2RS | Förseglade flänsade kullager | 5 | 14 | 5 | 16 | 1 | 1130 | 406 |
| F605zz | Förseglade flänsade kullager | 5 | 14 | 5 | 16 | 1 | 1130 | 406 |
| F625 | Öppna flänsade kullager | 5 | 16 | 5 | 18 | 1 | 1470 | 540 |
| F625 2RS | Förseglade flänsade kullager | 5 | 16 | 5 | 18 | 1 | 1470 | 540 |
| F625zz | Förseglade flänsade kullager | 5 | 16 | 5 | 18 | 1 | 1470 | 540 |
| F635 | Öppna flänsade kullager | 5 | 19 | 6 | 22 | 1.5 | 1986 | 717 |
| F635 2RS | Förseglade flänsade kullager | 5 | 19 | 6 | 22 | 1.5 | 1986 | 717 |
| F635zz | Förseglade flänsade kullager | 5 | 19 | 6 | 22 | 1.5 | 1986 | 717 |
| MF106 | Öppna flänsade kullager | 6 | 10 | 2.5 | 11.2 | 0.6 | 422 | 174 |
| MF106 2RS | Förseglade flänsade kullager | 6 | 10 | 3 | 11.2 | 0.6 | 422 | 174 |
| Mf106zz | Förseglade flänsade kullager | 6 | 10 | 3 | 11.2 | 0.6 | 422 | 174 |
| MF126 | Öppna flänsade kullager | 6 | 12 | 3 | 13.2 | 0.6 | 609 | 236 |
| MF126 2RS | Förseglade flänsade kullager | 6 | 12 | 4 | 13.6 | 0.8 | 609 | 236 |
| MF126zz | Förseglade flänsade kullager | 6 | 12 | 4 | 13.6 | 0.8 | 609 | 236 |
| F686 | Öppna flänsade kullager | 6 | 13 | 3.5 | 15 | 1 | 920 | 354 |
| F686 2RS | Förseglade flänsade kullager | 6 | 13 | 5 | 15 | 1.1 | 920 | 354 |
| F686zz | Förseglade flänsade kullager | 6 | 13 | 5 | 15 | 1.1 | 920 | 354 |
| F696 | Öppna flänsade kullager | 6 | 15 | 5 | 17 | 1.2 | 1139 | 418 |
| F696 2RS | Förseglade flänsade kullager | 6 | 15 | 5 | 17 | 1.2 | 1139 | 418 |
| F696zz | Förseglade flänsade kullager | 6 | 15 | 5 | 17 | 1.2 | 1139 | 418 |
| F606 | Öppna flänsade kullager | 6 | 17 | 6 | 19 | 1.2 | 1924 | 677 |
| F606 2RS | Förseglade flänsade kullager | 6 | 17 | 6 | 19 | 1.2 | 1924 | 677 |
| F606zz | Förseglade flänsade kullager | 6 | 17 | 6 | 19 | 1.2 | 1924 | 677 |
| F626 | Öppna flänsade kullager | 6 | 19 | 6 | 22 | 1.5 | 1986 | 717 |
| F626 2RS | Förseglade flänsade kullager | 6 | 19 | 6 | 22 | 1.5 | 1986 | 717 |
| F626zz | Förseglade flänsade kullager | 6 | 19 | 6 | 22 | 1.5 | 1986 | 717 |
| Mf117 | Öppna flänsade kullager | 7 | 11 | 2.5 | 12.2 | 0.6 | 387 | 162 |
| MF117 2RS | Förseglade flänsade kullager | 7 | 11 | 3 | 12.2 | 0.6 | 387 | 162 |
| Mf117zz | Förseglade flänsade kullager | 7 | 11 | 3 | 12.2 | 0.6 | 387 | 162 |
| MF137 | Öppna flänsade kullager | 7 | 13 | 3 | 14.2 | 0.6 | 460 | 221 |
| MF137 2RS | Förseglade flänsade kullager | 7 | 13 | 4 | 14.6 | 0.8 | 460 | 221 |
| MF137zz | Förseglade flänsade kullager | 7 | 13 | 4 | 14.6 | 0.8 | 460 | 221 |
| F687 | Öppna flänsade kullager | 7 | 14 | 3.5 | 16 | 1 | 997 | 410 |
| F687 2RS | Förseglade flänsade kullager | 7 | 14 | 5 | 16 | 1.1 | 997 | 410 |
| F687zz | Förseglade flänsade kullager | 7 | 14 | 5 | 16 | 1.1 | 997 | 410 |
| F697 | Öppna flänsade kullager | 7 | 17 | 5 | 19 | 1.2 | 1364 | 575 |
| F697 2RS | Förseglade flänsade kullager | 7 | 17 | 5 | 19 | 1.2 | 1364 | 575 |
| F697zz | Förseglade flänsade kullager | 7 | 17 | 5 | 19 | 1.2 | 1364 | 575 |
| F607 | Öppna flänsade kullager | 7 | 19 | 6 | 22 | 1.5 | 1986 | 717 |
| F607 2RS | Förseglade flänsade kullager | 7 | 19 | 6 | 22 | 1.5 | 1986 | 717 |
| F607zz | Förseglade flänsade kullager | 7 | 19 | 6 | 22 | 1.5 | 1986 | 717 |
| F627 | Öppna flänsade kullager | 7 | 22 | 7 | 25 | 1.5 | 2794 | 1103 |
| F627 2RS | Förseglade flänsade kullager | 7 | 22 | 7 | 25 | 1.5 | 2794 | 1103 |
| F627zz | Förseglade flänsade kullager | 7 | 22 | 7 | 25 | 1.5 | 2794 | 1103 |
| MF128 | Öppna flänsade kullager | 8 | 12 | 2.5 | 13.2 | 0.6 | 462 | 219 |
| MF128 2RS | Förseglade flänsade kullager | 8 | 12 | 3.5 | 13.6 | 0.8 | 462 | 219 |
| MF128zz | Förseglade flänsade kullager | 8 | 12 | 3.5 | 13.6 | 0.8 | 462 | 219 |
| MF148 | Öppna flänsade kullager | 8 | 14 | 3.5 | 15.6 | 0.8 | 695 | 309 |
| MF148 2RS | Förseglade flänsade kullager | 8 | 14 | 4 | 15.6 | 0.8 | 695 | 309 |
| MF148zz | Förseglade flänsade kullager | 8 | 14 | 4 | 15.6 | 0.8 | 695 | 309 |
| F688 | Öppna flänsade kullager | 8 | 16 | 4 | 18 | 1 | 1064 | 474 |
| F688 2RS | Förseglade flänsade kullager | 8 | 16 | 5 | 18 | 1.1 | 1064 | 474 |
| F688zz | Förseglade flänsade kullager | 8 | 16 | 5 | 18 | 1.1 | 1064 | 474 |
| F698 | Öppna flänsade kullager | 8 | 19 | 6 | 22 | 1.5 | 1902 | 734 |
| F698 2RS | Förseglade flänsade kullager | 8 | 19 | 6 | 22 | 1.5 | 1902 | 734 |
| F698zz | Förseglade flänsade kullager | 8 | 19 | 6 | 22 | 1.5 | 1902 | 734 |
| F608 | Öppna flänsade kullager | 8 | 22 | 7 | 25 | 1.5 | 2799 | 1103 |
| F608 2RS | Förseglade flänsade kullager | 8 | 22 | 7 | 25 | 1.5 | 2799 | 1103 |
| F608zz | Förseglade flänsade kullager | 8 | 22 | 7 | 25 | 1.5 | 2799 | 1103 |
| F679 | Öppna flänsade kullager | 9 | 14 | 3 | 15.5 | 0.8 | 781 | 374 |
| F679 2RS | Förseglade flänsade kullager | 9 | 14 | 4.5 | 15.5 | 0.8 | 781 | 374 |
| F679zz | Förseglade flänsade kullager | 9 | 14 | 4.5 | 15.5 | 0.8 | 781 | 374 |
| F689 | Öppna flänsade kullager | 9 | 17 | 4 | 19 | 1 | 1128 | 534 |
| F689 2RS | Förseglade flänsade kullager | 9 | 17 | 5 | 19 | 1.1 | 1128 | 534 |
| F689zz | Förseglade flänsade kullager | 9 | 17 | 5 | 19 | 1.1 | 1128 | 534 |
| F699 | Öppna flänsade kullager | 9 | 20 | 6 | 23 | 1.5 | 2097 | 865 |
| F699 2RS | Förseglade flänsade kullager | 9 | 20 | 6 | 23 | 1.5 | 2097 | 865 |
| F699zz | Förseglade flänsade kullager | 9 | 20 | 6 | 23 | 1.5 | 2097 | 865 |
| F609 | Öppna flänsade kullager | 9 | 24 | 7 | 27 | 1.5 | 2853 | 1155 |
| F609 2RS | Förseglade flänsade kullager | 9 | 24 | 7 | 27 | 1.5 | 2853 | 1155 |
| F609zz | Tätade flänsade kullager | 9 | 24 | 7 | 27 | 1.5 | 2853 | 1155 |
Om oss Yinin
Branschapplikationer
Nyheter och information
Kontakta oss
Teknisk rådgivning
Anpassade lösningar
Kontinuerlig forskning och utveckling
Kvalitetskontroll
Teknisk support och utbildning
Snabb respons
Om du har någon teknisk konsultation eller feedback kommer vi att ge dig det mest professionella svaret så snart som möjligt!