32000-serien avsmalnande rullager är ett högpresterande lager som används allmänt i industriella och mekaniska fält. Det används främst för att bära radiella och axiella belastningar. Konstruktionsfunktionen för detta lager är att kontaktlinjen mellan den avsmalnande rullen och de inre och yttre ringarna är i punktkontakt, vilket effektivt kan fördela belastningen, minska friktionen och förlänga livslängden. 32000 serielager är vanligtvis tillverkade av höghållfast stål och har utmärkt slitstyrka och hög temperaturmotstånd, vilket gör dem lämpliga för användning i hårda arbetsmiljöer. Det används ofta i bilar, järnvägar, vindkraft, gruvmaskiner och andra fält, särskilt i situationer där stora axiella belastningar krävs. Denna serie lager kräver korrekt justering och smörjning under installationen för att säkerställa optimal driftsprestanda och stabilitet.
Produktparametrar
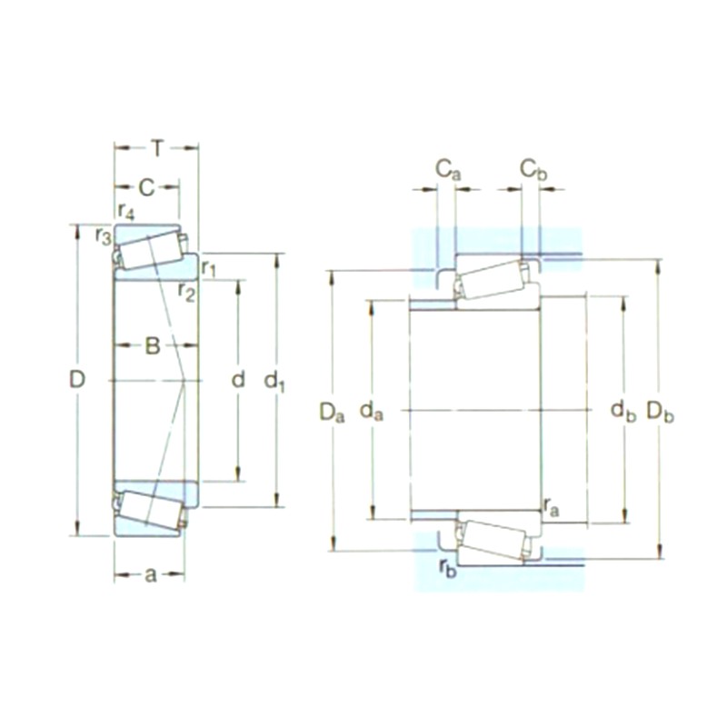
| Beteckning | Huvuddimensioner (mm) | Grundläggennde belastningsbetyg (KN) | Pu | Hastighetsbetyg (RPM) | Vikt (kg) | Iso335 | Dimensioner (mm) | Abutment och filédimensioner (mm) | Värde | ||||||||||||||||||||
|---|---|---|---|---|---|---|---|---|---|---|---|---|---|---|---|---|---|---|---|---|---|---|---|---|---|---|---|---|---|
| d1 | D | B | dyc (cr) | STC (COR) | Hastighetsbetyg | Begränsningshastighet | Dimensioner (ABMA) | d | d1 ~ | B | C | R1,2 (min) | R3,4 (min) | a | da (max) | db (min) | Da (min) | Da (max) | Db (min) | CA (min) | CB (min) | RA (max) | RB (max) | e | Y | Yo | |||
| 32004x/q | 20 | 42 | 15 | 28 | 27 | 2,7 | 13000 | 16000 | 0,097 | 3CC | 20 | 31,1 | 15 | 12 | 0,6 | 0,6 | 10 | 25 | 25 | 36 | 37 | 39 | 2 | 3 | 0,6 | 0,6 | 0,37 | 1,6 | 0,9 |
| 320/22x | 22 | 44 | 15 | 25,1 | 29 | 2,85 | 11000 | 15000 | 0,10 | 3CC | 22 | 33,3 | 15 | 11,5 | 0,6 | 0,6 | 11 | 27 | 27 | 38 | 39 | 41 | 3 | 3,5 | 0,6 | 0,6 | 0,40 | 1,5 | 0,8 |
| 32005x/q | 25 | 47 | 15 | 31 | 32,5 | 3,25 | 12000 | 14000 | 0,11 | 4cc | 25 | 36,5 | 15 | 11,5 | 0,6 | 0,6 | 11 | 30 | 30 | 40 | 42 | 44 | 3 | 3,5 | 0,6 | 0,6 | 0,43 | 1,4 | 0,8 |
| 320/28X/Q | 28 | 52 | 16 | 36,5 | 38 | 4 | 10000 | 13000 | 0,15 | 4cc | 28 | 40,3 | 16 | 12 | 1 | 1 | 12 | 34 | 34 | 45 | 46 | 49 | 3 | 4 | 1 | 1 | 0,43 | 1,4 | 0,8 |
| 32006x/q | 30 | 55 | 17 | 40,5 | 44 | 4,55 | 10000 | 12000 | 0,17 | 4cc | 30 | 43 | 17 | 13 | 1 | 1 | 13 | 35 | 36 | 48 | 49 | 52 | 3 | 4 | 1 | 1 | 0,43 | 1,4 | 0,8 |
| 320/32X/Q | 32 | 58 | 17 | 42,5 | 46,5 | 4,8 | 9000 | 11000 | 0,19 | 4cc | 32 | 45,6 | 17 | 13 | 1 | 1 | 14 | 38 | 38 | 50 | 52 | 55 | 3 | 4 | 1 | 1 | 0,46 | 1,3 | 0,7 |
| 32008/38X/Q | 38 | 68 | 19 | 60 | 71 | 7,65 | 7500 | 10000 | 0,28 | - | 38 | 54,2 | 19 | 14,5 | 1 | 1 | 15 | 46 | 44 | 60 | 62 | 65 | 4 | 4,5 | 1 | 1 | 0,37 | 1,6 | 0,9 |
| 32008x/q | 40 | 68 | 19 | 60 | 71 | 7,65 | 7500 | 9500 | 0,27 | 3CD | 40 | 54,2 | 19 | 14,5 | 1 | 1 | 15 | 46 | 46 | 60 | 62 | 65 | 4 | 4,5 | 1 | 1 | 0,37 | 1,6 | 0,9 |
| 32008xtn9/q | 40 | 68 | 19 | 60 | 71 | 7,65 | 7500 | 9500 | 0,27 | 3CD | 40 | 54,2 | 19 | 14,5 | 1 | 1 | 15 | 46 | 46 | 60 | 62 | 65 | 4 | 4,5 | 1 | 1 | 0,37 | 1,6 | 0,9 |
| 33209/q | 45 | 85 | 32 | 108 | 143 | 16,3 | 5300 | 7500 | 0,82 | 3de | 45 | 65,2 | 32 | 25 | 1,5 | 1,5 | 22 | 52 | 52 | 72 | 78 | 81 | 5 | 7 | 1,5 | 1,5 | 0,4 | 1,5 | 0,8 |
| 32010x/q | 50 | 80 | 20 | 69,5 | 88 | 9,65 | 6300 | 8000 | 0,37 | 3CC | 50 | 65,6 | 20 | 15,5 | 1 | 1 | 18 | 57 | 56 | 72 | 74 | 77 | 4 | 4,5 | 1 | 1 | 0,43 | 1,4 | 0,8 |
| 32010X/QCL7CVB026 | 50 | 80 | 20 | 69,5 | 88 | 9,65 | 6300 | 8000 | 0,37 | 3CC | 50 | 65,6 | 20 | 15,5 | 3 | 1 | 18 | 57 | 62 | 72 | 74 | 77 | 4 | 4,5 | 2,5 | 1 | 0,43 | 1,4 | 0,8 |
| 32012X/QCL7C | 60 | 95 | 23 | 95 | 122 | 13,4 | 5300 | 6700 | 0,59 | 4cc | 60 | 77,8 | 23 | 17,5 | 1,5 | 1,5 | 21 | 67 | 67 | 85 | 88 | 91 | 4 | 5 | 1,5 | 1,5 | 0,43 | 1,4 | 0,8 |
| 32014x/q | 70 | 110 | 25 | 116 | 153 | 17,3 | 4500 | 5600 | 0,84 | 4cc | 70 | 89,8 | 25 | 19 | 1,5 | 1,5 | 23 | 78 | 77 | 98 | 103 | 105 | 5 | 6 | 1,5 | 1,5 | 0,43 | 1,4 | 0,8 |
| 32015x/q | 75 | 115 | 25 | 122 | 163 | 18,6 | 4300 | 5300 | 0,90 | 4cc | 75 | 95,1 | 25 | 19 | 1,5 | 1,5 | 25 | 83 | 82 | 103 | 108 | 110 | 5 | 6 | 1,5 | 1,5 | 0,46 | 1,3 | 0,7 |
| 32016x/q | 80 | 125 | 29 | 138 | 216 | 24,5 | 3600 | 5000 | 1,30 | 3CC | 80 | 103 | 29 | 22 | 1,5 | 1,5 | 27 | 90 | 87 | 112 | 117 | 120 | 6 | 7 | 1,5 | 1,5 | 0,43 | 1,4 | 0,8 |
| 32018x/q | 90 | 140 | 32 | 168 | 270 | 31 | 3200 | 4300 | 1,75 | 3CC | 90 | 115 | 32 | 24 | 2 | 1,5 | 30 | 100 | 98 | 125 | 132 | 134 | 6 | 8 | 2 | 1,5 | 0,43 | 1,4 | 0,8 |
| 32019x/q | 95 | 145 | 32 | 168 | 270 | 30,5 | 3200 | 4300 | 1,80 | 4cc | 95 | 120 | 32 | 24 | 2 | 1,5 | 31 | 105 | 104 | 130 | 138 | 139 | 6 | 8 | 2 | 1,5 | 0,44 | 1,35 | 0,8 |
| 32021x/q | 105 | 160 | 35 | 201 | 335 | 37,5 | 2800 | 3800 | 2,40 | 4dc | 105 | 132 | 35 | 26 | 2,5 | 2 | 34 | 116 | 116 | 143 | 150 | 154 | 6 | 9 | 2 | 2 | 0,44 | 1,35 | 0,8 |
| 32022x/q | 110 | 170 | 38 | 233 | 390 | 42,5 | 2600 | 3600 | 3,05 | 4dc | 110 | 140 | 38 | 29 | 2,5 | 2 | 36 | 123 | 121 | 152 | 160 | 163 | 7 | 9 | 2 | 2 | 0,43 | 1,4 | 0,8 |
| 32021x/q | 105 | 160 | 35 | 201 | 335 | 37,5 | 2800 | 3800 | 2,40 | 4dc | 105 | 132 | 35 | 26 | 2,5 | 2 | 34 | 116 | 116 | 143 | 150 | 154 | 6 | 9 | 2 | 2 | 0,44 | 1,35 | 0,8 |
| 32022x/q | 110 | 170 | 38 | 233 | 390 | 42,5 | 2600 | 3600 | 3,05 | 4dc | 110 | 140 | 38 | 29 | 2,5 | 2 | 36 | 123 | 121 | 152 | 160 | 163 | 7 | 9 | 2 | 2 | 0,43 | 1,4 | 0,8 |
| 32024x | 120 | 180 | 38 | 242 | 415 | 44 | 2400 | 3400 | 3,25 | 4dc | 120 | 150 | 38 | 29 | 2,5 | 2 | 39 | 132 | 131 | 161 | 170 | 173 | 7 | 9 | 2 | 2 | 0,46 | 1,3 | 0,7 |
| 32026x | 130 | 200 | 45 | 314 | 540 | 55 | 2200 | 3000 | 4,95 | 4ec | 130 | 165 | 45 | 34 | 2,5 | 2 | 42 | 144 | 142 | 178 | 190 | 192 | 7 | 11 | 2 | 2 | 0,43 | 1,4 | 0,8 |
| 32028x | 140 | 210 | 45 | 330 | 585 | 58,5 | 2200 | 2800 | 5,25 | 4dc | 140 | 175 | 45 | 34 | 2,5 | 2 | 46 | 153 | 152 | 187 | 200 | 202 | 7 | 11 | 2 | 2 | 0,46 | 1,3 | 0,7 |
| 32030x | 150 | 225 | 48 | 369 | 655 | 65,5 | 2000 | 2600 | 6,35 | 4ec | 150 | 187 | 48 | 36 | 3 | 2,5 | 49 | 164 | 164 | 200 | 213 | 216 | 8 | 12 | 2,5 | 2 | 0,46 | 1,3 | 0,7 |
| 32032x | 160 | 240 | 51 | 429 | 780 | 78 | 1800 | 2400 | 7,75 | 4ec | 160 | 200 | 51 | 38 | 3 | 2,5 | 52 | 175 | 174 | 213 | 228 | 231 | 8 | 13 | 2,5 | 2 | 0,46 | 1,3 | 0,7 |
| 32034x | 170 | 260 | 57 | 512 | 915 | 90 | 1700 | 2200 | 10,5 | 4ec | 170 | 214 | 57 | 43 | 3 | 2,5 | 56 | 188 | 184 | 230 | 246 | 249 | 10 | 14 | 2,5 | 2 | 0,44 | 1,35 | 0,8 |
| 32036X | 180 | 280 | 64 | 644 | 1160 | 110 | 1600 | 2200 | 14,5 | 3FD | 180 | 229 | 64 | 48 | 3 | 2,5 | 59 | 199 | 194 | 247 | 266 | 267 | 10 | 16 | 2,5 | 2 | 0,43 | 1,4 | 0,8 |
| 32038X | 190 | 290 | 64 | 660 | 1200 | 112 | 1500 | 2000 | 15,0 | 4FD | 190 | 240 | 64 | 48 | 3 | 2,5 | 62 | 210 | 204 | 257 | 276 | 279 | 10 | 16 | 2,5 | 2 | 0,44 | 1,35 | 0,8 |
| 32040x | 200 | 310 | 70 | 748 | 1370 | 127 | 1400 | 1900 | 19,5 | 4FD | 200 | 254 | 70 | 53 | 3 | 2,5 | 66 | 222 | 214 | 273 | 296 | 297 | 11 | 17 | 2,5 | 2 | 0,43 | 1,4 | 0,8 |
| 32044x | 220 | 340 | 76 | 897 | 1660 | 150 | 1300 | 1700 | 25,5 | 4FD | 220 | 279 | 76 | 57 | 4 | 3 | 72 | 244 | 236 | 300 | 325 | 326 | 12 | 19 | 3 | 2,5 | 0,43 | 1,4 | 0,8 |
| 32048x | 240 | 360 | 76 | 935 | 1800 | 160 | 1200 | 1600 | 27,5 | 4FD | 240 | 299 | 76 | 57 | 4 | 3 | 78 | 262 | 256 | 318 | 345 | 346 | 12 | 19 | 3 | 2,5 | 0,46 | 1,3 | 0,7 |
| 32052x | 260 | 400 | 87 | 1170 | 2200 | 190 | 1100 | 1400 | 40,0 | 4FC | 260 | 328 | 87 | 65 | 5 | 4 | 84 | 287 | 282 | 352 | 383 | 383 | 13 | 22 | 4 | 3 | 0,43 | 1,4 | 0,8 |
| 32056x | 280 | 420 | 87 | 1210 | 2360 | 200 | 1000 | 1300 | 40,5 | 4FC | 280 | 348 | 87 | 65 | 5 | 4 | 89 | 305 | 302 | 370 | 400 | 402 | 14 | 22 | 4 | 3 | 0,46 | 1,3 | 0,7 |
| 32060x | 300 | 460 | 100 | 1540 | 3000 | 250 | 900 | 1200 | 58,0 | 4GD | 300 | 377 | 100 | 74 | 5 | 4 | 97 | 330 | 322 | 404 | 440 | 439 | 15 | 26 | 4 | 3 | 0,43 | 1,4 | 0,8 |
| 32064x | 320 | 480 | 100 | 1540 | 3100 | 255 | 850 | 1100 | 64,0 | 4GD | 320 | 399 | 100 | 74 | 5 | 4 | 103 | 350 | 342 | 424 | 460 | 461 | 15 | 26 | 4 | 3 | 0,46 | 1,3 | 0,7 |
Om oss Yinin
Branschapplikationer
Nyheter och information
Kontakta oss
Teknisk rådgivning
Anpassade lösningar
Kontinuerlig forskning och utveckling
Kvalitetskontroll
Teknisk support och utbildning
Snabb respons
Om du har någon teknisk konsultation eller feedback kommer vi att ge dig det mest professionella svaret så snart som möjligt!