Hem / Produkt / Rullager / Avsmalnande rullager / 32300-serien
32300-serien Avsmalnande rullager
32300-serien Avsmalnande rullager
32300-serien Avsmalnande rullager

32300-serien

Den 32300-serien koniska rullager är högkapacitets separerbara lager utformade för att hantera betydande radiella och axiella belastningar samtidigt. Den här serien har en brant inre geometri där kontaktvinklarna för den inre löpbanan (konen), den yttre löpbanan (koppen) och avsmalnande rullarna konvergerar vid en gemensam spets på lageraxeln. Denna specifika design säkerställer verklig rullande rörelse och låg friktion under drift. Tillverkad av högrent kromstål, kännetecknas 32300-serien av dess större tvärsnitt och ökade rulldiameter jämfört med standardserier, vilket ger förbättrad lastbärande kapacitet och strukturell styvhet. Dessa lager är vanligtvis monterade i par för att uppnå dubbelriktad axiell begränsning, vilket gör dem till grundläggande komponenter i tunga mekaniska kraftöverföringar och fordonsaxelenheter.

Skicka förfrågan

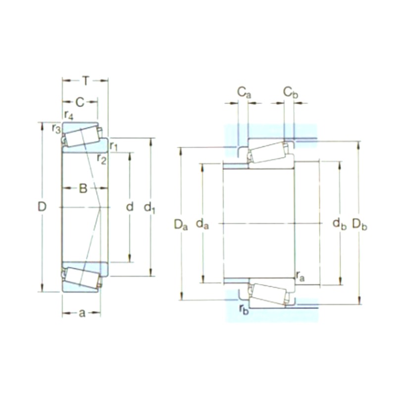
Tekniska specifikationer och prestandaprofil: 32300-serien koniska rullager

Kärntekniska fördelar

  • Kombinerad lasthantering: Konstruerad för att stödja hög dragkraft och radiella krafter genom optimerad avsmalnande kontaktvinklar .
  • Separerbara komponenter: Skålen och konenheten (rullar och bur) kan monteras oberoende av varandra, vilket underlättar underhåll och precisionsjustering av spelrum .
  • Hög dimensionsstabilitet: Specialiserade värmebehandlingsprocesser säkerställer att lagret bibehåller sitt geometriska toleranser under fluktuerande termiska förhållanden.
  • Låg driftsfriktion: Precisionsslipade löpbanor minimerar ytjämnheten, vilket minskar vridmoment och värmeuppbyggnad under höghastighetsrotation .

Tekniska egenskaper

Materialspecifikation GCr15 högkolhaltigt kromlagerstål
Burmaterial Pressat stål / bearbetad mässing (applikationsberoende)
Precisionsgrad P0 (Normal), P6, P5
Laddar typ Enkelriktad axiell hög radiell
Temperaturområde -30°C till 120°C (standardsmörjning)

Primära tillämpningsscenarier

  • Drivlinor för fordon: Hjulnav för tunga lastbilar, skillnader och transmissionssystem.
  • Industrimaskiner: Primära komponenter i växellådsreduktionsenheter , valsverk och gruvutrustning.
  • Byggutrustning: Integrerad i de slutliga drivenheterna av grävmaskiner och bulldozers som kräver motstånd mot stötbelastning .
  • Lantbruksteknik: Högspänningspunkter och drivaxlar i traktorer och skördemaskiner.

Installations- och underhållsprotokoll

Förvaring och hantering

Lager bör förvaras i en ren, torr miljö med en konstant temperatur för att förhindra fuktkondensering. Den ursprungliga skyddande fettbeläggningen måste förbli intakt; ta inte bort rostskyddsförpackning tills installationsögonblicket. Undvik vertikal stapling över angivna höjder för att förhindra elliptisk deformation av ringarna.

Försiktighetsåtgärder vid användning

  • Justering av axiellt spel: Under monteringen slutspel eller förladdning måste ställas in noggrant enligt tillverkarens specifikationer för att undvika för tidig trötthet eller överhettning.
  • Kontamineringskontroll: Se till att höljet och axeln är fria från nötande partiklar; använda kompatibla tätningar för att behålla smörjmedlets renhet i utomhus- eller dammiga miljöer.
  • Val av smörjning: Använd Extreme Pressure (EP) tillsatser i fetter för tillämpningar som involverar kraftiga stötbelastningar för att bibehålla en tillräcklig oljefilm mellan rullarna och löpbanorna.
  • Inriktningsverifiering: Se till axel-till-hus koncentricitet är inom specificerade gränser för att förhindra kantbelastning på de avsmalnande rullarna.

Produktparametrar

Beteckning Huvudmått(mm) Grundläggande belastningsklasser (KN) Pu Hastighetsklasser (rpm) Vikt (Kg) ISO335 Mått (mm) Distans- och kälmått (mm) Värde
d1 D B dyc(Cr) stc(Cor) Hastighetsbetyg Begränsande hastighet Dimensioner (ABMA) d d1~ B C r1,2(min) r3,4(min) a da(max) db(min) Da(min) Da(max) Db(min) Ca(min) Cb(min) ra(max) rb(max) e Y Yo
32303J2/Q 17 47 20,25 40 33,5 3,65 12000 16000 0,17 2FD 17 30,7 19 16 1 1 12 24 23 39 41 43 3 4 1 1 0,28 2,1 1,1
32304J2/Q 20 52 22,25 51 45,5 5 12000 14000 0,23 2FD 20 34,5 21 18 1,5 1,5 14 27 27 43 45 47 3 4 1,5 1,5 0,3 2 1,1
32305J2 25 62 25,25 60,5 63 7,1 8000 12000 0,36 2FD 25 41,7 24 20 1,5 1,5 15 33 32 52 55 57 3 5 1,5 1,5 0,3 2 1,1
32306J2/Q 30 72 28,75 88 85 9,65 7500 10000 0,55 2FD 30 48,7 27 23 1,5 1,5 18 39 37 59 65 66 3 5,5 1,5 1,5 0,31 1,9 1,1
32307J2/Q 35 80 32,75 95,2 106 12,2 6700 9000 0,73 2FE 35 54,8 31 25 2 1,5 20 44 44 66 71 74 4 7,5 2 1,5 0,31 1,9 1,1
32307BJ2/Q 35 80 32,75 93,5 114 13,2 6300 8500 0,80 5FE 35 59,3 31 25 2 1,5 24 42 44 61 71 76 4 7,5 2 1,5 0,54 1,1 0,6
32307/37BJ2/Q 37 80 32,75 93,5 114 13,2 6300 8500 0,85 - 37 54,8 31 25 2 1,5 20 44 44 66 71 74 4 7,5 2 1,5 0,54 1,1 0,6
32308J2/Q 40 90 35,25 117 140 16 5300 8000 1,00 2FD 40 62,9 33 27 2 1,5 23 51 49 73 81 82 3 8 2 1,5 0,35 1,7 0,9
32309J2/Q 45 100 38,25 140 170 20,4 4800 7000 1,35 2FD 45 70,4 36 30 2 1,5 25 57 53 82 91 93 4 8 2 1,5 0,35 1,7 0,9
32309BJ2/QCL7C 45 100 38,25 156 176 20 5000 6700 1,45 5FD 45 74,8 36 30 2 1,5 30 55 53 76 91 94 5 8 2 1,5 0,54 1,1 0,6
32310J2/Q 50 110 42,25 172 212 24 4300 6300 1,80 2FD 50 77,7 40 33 2,5 2 27 63 60 90 100 102 5 9 2 2 0,35 1,7 0,9
32310TN9 50 110 42,25 172 212 24 4300 6300 1,80 2FD 50 77,7 40 33 2,5 2 27 63 60 90 100 102 5 9 2 2 0,35 1,7 0,9
32310BJ2/QCL7C 50 110 42,25 183 216 24,5 4500 6000 1,85 5FD 50 82,9 40 33 2,5 2 34 62 60 83 100 103 5 9 2 2 0,54 1,1 0,6
32311J2 55 120 45,5 198 250 28,5 4000 5600 2,30 2FD 55 84,6 43 35 2,5 2 29 68 65 99 112 111 5 10,5 2 2 0,35 1,7 0,9
32311BJ2/QCL7C 55 120 45,5 216 260 30 4300 5600 2,50 5FD 55 90,5 43 35 2,5 2 36 67 65 91 112 112 5 10,5 2 2 0,54 1,1 0,6
32312J2/Q 60 130 48,5 229 290 34 3600 5300 2,85 2FD 60 91,7 46 37 3 2,5 31 74 72 107 118 120 6 11,5 2,5 2 0,35 1,7 0,9
32312BJ2/QCL7C 60 130 48,5 255 305 35,5 3800 5000 2,80 5FD 60 98,1 46 37 3 2,5 38 73 72 99 118 122 6 11,5 2,5 2 0,54 1,1 0,6
32313J2/Q 65 140 51 264 335 40 3400 4800 3,45 2GD 65 99,2 48 39 3 2,5 33 80 77 117 128 130 6 12 2,5 2 0,35 1,7 0,9
32313BJ2/QU4CL7CVQ267 65 140 51 285 345 40,5 3600 4800 3,35 5GD 65 105 48 39 3 2,5 41 79 77 107 128 131 6 12 2,5 2 0,54 1,1 0,6
32314J2/Q 70 150 54 297 380 45 3200 4500 4,30 2GD 70 106 51 42 3 2,5 36 86 82 125 138 140 6 12 2,5 2 0,35 1,7 0,9
32314BJ2/QCL7C 70 150 54 325 400 46,5 3400 4300 4,25 5GD 70 113 51 42 3 2,5 44 85 82 115 138 141 7 12 2,5 2 0,54 1,1 0,6
32315J2 75 160 58 336 440 51 3000 4300 5,20 2GD 75 113 55 45 3 2,5 38 92 87 133 148 149 7 13 2,5 2 0,35 1,7 0,9
32315BJ2/QCL7C 75 160 58 380 475 55 3200 4000 5,55 5GD 75 120 55 45 3 2,5 46 90 87 124 148 151 7 13 2,5 2 0,54 1,1 0,6
32316J2 80 170 61,5 380 500 57 3000 4300 6,20 2GD 80 120 58 48 3 2,5 41 98 92 142 158 159 7 13,5 2,5 2 0,35 1,7 0,9
32317J2 85 180 63,5 402 530 60 2800 4000 6,85 2GD 85 126 60 49 4 3 42 103 99 150 166 167 7 14,5 3 2,5 0,35 1,7 0,9
32317BJ2 85 180 63,5 391 560 62 2800 4000 7,50 5GD 85 135 60 49 4 3 52 102 99 138 166 169 7 14,5 3 2,5 0,54 1,1 0,6
32318J2 90 190 67,5 457 610 67 2600 4000 8,40 2GD 90 133 64 53 4 3 44 109 105 157 176 177 7 14,5 3 2,5 0,35 1,7 0,9
32319J2 95 200 71,5 501 670 72 2400 3400 11,0 2GD 95 141 67 55 4 3 47 115 110 166 186 186 8 16,5 3 2,5 0,35 1,7 0,9
32320J2 100 215 77,5 572 780 83 2200 3000 12,5 2GD 100 151 73 60 4 3 51 123 115 177 201 200 8 17,5 3 2,5 0,35 1,7 0,9
32321J2 105 225 81,5 605 815 85 2000 3000 14,5 2GD 105 158 77 63 4 3 53 129 120 185 211 209 9 18,5 3 2,5 0,35 1,7 0,9
32322 110 240 84,5 627 830 86,5 1900 2800 17,0 2GD 110 168 80 65 4 3 55 137 125 198 226 222 9 19,5 3 2,5 0,35 1,7 0,9
32324J2 120 260 90,5 792 1120 110 1800 2600 21,5 2GD 120 181 86 69 4 3 60 148 135 213 245 239 9 21,5 3 2,5 0,35 1,7 0,9

Om oss Yinin

Shanghai Yinin -lager- och transmissionsföretag Etablerat 2009, med mer än 20 års erfarenhet inom lagerområdet. Vi är en kinesisk 32300-serien Avsmalnande rullager tillverkare och tillhandahåller anpassade 32300-serien Avsmalnande rullager fabriks. Sedan 1999 har vi agerat som agent för kinesiska lagertillverkare och exporterat olika lager. Idag har vi utvecklats till en omfattande lagerkoncern som integrerar försäljning och tillverkning.

Branschapplikationer

Lager spelar också en mycket viktig roll i jordbruksmaskiner. De används för att stödja roterande...

Bil

Lager används allmänt i bilar. De är de viktigaste och roterande delarna av många rörliga delar i...

Används för stöd, höjd, vinkel, led och roterande delar av medicinsk utrustning.

Används för stöd-, rotations-, motor- och kompressordelar av hushållsapparater.

Används för rotation och rörelse av support och styrdelar av automatiseringsutrustning

I byggnadsstrukturer kan lager användas för att ansluta olika strukturella komponenter.

I produktionsprocessen av mat och drycker behövs pumpar för att transportera vätskor och kompress...

Lager används i flygplan och rymdskeppsmotorer för att stödja roterande komponenter som turbiner,...

Nyheter och information

Läs mer

2026-04-30

Rostfria lager: Jämförelseguide för rost, bearbetning o...
Rostfria lager är bland de mest använda lagermaterialen i industri- och konsumentprodukter. De erbjuder bra korrosionsbeständighet i de flesta miljöer, men de är inte helt rostsäkra och inte ...

2026-04-23

Tekniska strategier för att optimera livslängden för sp...
Shanghai Yinin Bearing & Transmission Company, etablerat som ett industri- och handelsintegrerat företag sedan 2016, är specialiserat på omfattande design och tillverkning av avancerade rotationsko...

2026-04-15

Hur väljer man rätt inre spel för ett dubbelradigt vink...
Inverkan av höga rotationshastigheter på lagerfrigång Centrifugalkraft och termisk expansion : I höghastighetsapplikationer, den inre ringen av en vinkelkontakt dubbelradigt ku...

Kontakta oss

SUBMIT

Teknisk rådgivning

  • Shanghai Yinin -lager- och transmissionsföretag

    Anpassade lösningar

  • Shanghai Yinin -lager- och transmissionsföretag

    Kontinuerlig forskning och utveckling

  • Shanghai Yinin -lager- och transmissionsföretag

    Kvalitetskontroll

  • Shanghai Yinin -lager- och transmissionsföretag

    Teknisk support och utbildning

  • Shanghai Yinin -lager- och transmissionsföretag

    Snabb respons

Om du har någon teknisk konsultation eller feedback kommer vi att ge dig det mest professionella svaret så snart som möjligt!

Kontakta oss