Hem / Produkt / Rullager / Avsmalnande rullager / 33200 -serien
33200 -serien Avsmalnande rullager
33200 -serien Avsmalnande rullager
33200 -serien Avsmalnande rullager

33200 -serien

Serie 33200 avsmalnande rullager är en lagringstyp som vanligtvis används i tunga applikationer och högprecisionsapplikationer. Denna typ av lager består av en inre ring, en yttre ring, rullar och en bur, och har utmärkt bärande kapacitet och slitmotstånd. Dess konstruktion gör det möjligt för lagret att motstå radiella och axiella belastningar under drift och är lämplig för användning i bilar, ingenjörsmaskiner, järnvägar och andra fält. De avsmalnande rullarna i 33200-serien ger ett större kontaktområde och därmed förbättrar bärbar kapacitet och operativ stabilitet. Denna serie lager är vanligtvis tillverkade av högkvalitativt legeringsstål och har utmärkt värmebeständighet och korrosionsbeständighet, vilket säkerställer deras tillförlitlighet i hårda arbetsmiljöer. Dessutom underlättar den standardiserade utformningen av 33200 -serielagren ersättning och underhåll och minskar användningskostnaderna.

Skicka förfrågan

33200 serie avsmalnande rullager - hög belastning, lång livslängd, precision industriella lösningar

De 33200 serie avsmalnande rullager är en högpresterande, högprecision rullande lager som är lämplig för en mängd olika industriella och mekaniska applikationer. Dess design kombinerar radiell och axiell belastningskapacitet för att motstå höga belastningar och uppnå smidig drift. Denna serie lager används allmänt inom fordon, industriell utrustning, flyg-, energi och andra fält.

1. Superbelastningskapacitet
Den optimerade rull- och ribbkontaktdesignen förbättrar lastfördelningsens enhetlighet och ökar dynamisk belastningskapacitet med 20% jämfört med standardlager.
Lämplig för chockbelastning och vibrationsmiljöer (som gruvmaskiner, tunga lastbilar).

2. Utökad livslängd
Speciell värmebehandlingsprocess (karbonitridningsteknik) förbättrar ythårdheten (HRC 60) och ökar trötthetslivslängden med 30%.
Rostsäkra beläggningsalternativ (som fosfatering eller zinkplätering) är lämpliga för fuktiga eller frätande miljöer.

3. Precisionsdrift och låg energiförbrukning
ISO P5 -nivå noggrannhet (valfri P4) minskar friktionsförlusten och hjälper utrustningen att spara energi med upp till 15%.
Justerbar förbelastningsdesign för att uppfylla kraven med hög precision (t.ex. maskinverktygsspindlar).

4. Multifunktionell anpassningsförmåga
Ge imperialistiska och metriska storlekar (som 33205, 33206, 33212, etc.), kompatibla med mainstream -varumärken och utbytbara modeller.
Supportanpassning (tätningar, fett, material).

Ansökningsområden
Automotive Industry: Används för fordonsdifferenser, växellådor, motorer etc.
Industriella maskiner: som maskinverktyg, transportband, pumpar, fläktar etc.
Energiutrustning: som generatorer, turbiner, kompressorer, etc.
Aerospace: Används för nyckelkomponenter som flygmotorer och landningsväxlar.
Hushållsapparater: såsom tvättmaskiner, kylskåp, luftkonditioneringsapparater osv.

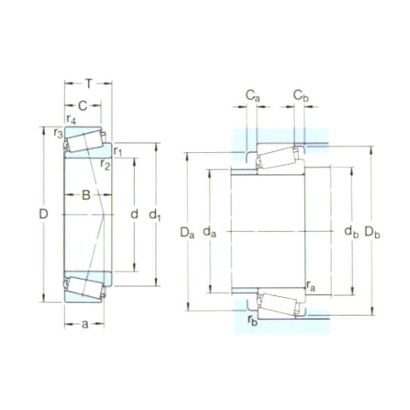
Produktparametrar

Beteckning Huvuddimensioner (mm) Grundläggennde belastningsbetyg (KN) Pu Hastighetsbetyg (RPM) Vikt (kg) Iso335 Dimensioner (mm) Abutment och filédimensioner (mm) Värde
d1 D B dyc (cr) STC (COR) Hastighetsbetyg Begränsningshastighet Dimensioner (ABMA) d d1 ~ B C R1,2 (min) R3,4 (min) a da (max) db (min) Da (min) Da (max) Db (min) CA (min) CB (min) RA (max) RB (max) e Y Yo
33205/q 25 52 22 54 56 6 10000 13000 0,23 2de 25 38,6 22 18 1 1 14 30 31 43 46 49 4 4 1 1 0,35 1,7 0,9
33206/q 30 62 25 75 76,5 8,5 8500 11000 0,37 2de 30 45,8 25 19,5 1 1 16 36 36 53 56 59 5 5,5 1 1 0,35 1,7 0,9
33208/QCL7C 40 80 32 120 132 15 6300 8500 0,77 2de 40 59,7 32 25 1,5 1,5 21 47 47 67 73 76 5 7 1,5 1,5 0,35 1,7 0,9
33209/q 45 85 32 108 143 16,3 5300 7500 0,82 3de 45 65,2 32 25 1,5 1,5 22 52 52 72 78 81 5 7 1,5 1,5 0,4 1,5 0,8
33210/q 50 90 32 114 160 18,3 5000 7000 0,90 3de 50 70,7 32 24,5 1,5 1,5 23 57 57 77 83 87 5 7,5 1,5 1,5 0,4 1,5 0,8
33211/q 55 100 35 138 190 21,6 4500 6300 1,20 3de 55 77,6 35 27 2 1,5 25 63 64 85 93 96 6 8 2 1,5 0,4 1,5 0,8
33212/q 60 110 38 168 236 26,5 4000 6000 1,60 3EEEEEEEEE 60 85,3 38 29 2 1,5 27 69 68 93 103 105 6 9 2 1,5 0,4 1,5 0,8
33213/q 65 120 41 194 270 30,5 3800 5300 2,05 3EE 65 92,1 41 32 2 1,5 29 75 74 102 113 115 6 9 2 1,5 0,4 1,5 0,8
33213tn9/q 65 120 41 194 270 30,5 3800 5300 2,05 3EE 65 92,1 41 32 2 1,5 29 75 74 102 113 115 6 9 2 1,5 0,4 1,5 0,8
33214/q 70 125 41 201 285 32,5 3600 5000 2,10 3EE 70 97,2 41 32 2 1,5 30 79 78 107 115 120 6 9 2 1,5 0,4 1,5 0,8
33215/q 75 130 41 209 300 34 3400 4800 2,25 3EE 75 102 41 31 2 1,5 32 84 84 111 122 125 6 10 2 1,5 0,43 1,4 0,8
33216/q 80 140 46 251 375 41,5 3200 4500 2,90 3EE 80 110 46 35 2,5 2 35 89 90 119 130 135 7 11 2 2 0,43 1,4 0,8
33217/q 85 150 49 286 430 48 3000 4300 3,70 3EE 85 117 49 37 2,5 2 37 96 95 128 140 144 7 12 2 2 0,43 1,4 0,8
33219 95 170 58 374 560 62 2600 3800 5,50 3Fe 95 132 58 44 3 2,5 42 107 107 144 158 163 9 14 2,5 2 0,40 1,5 0,8
33220 100 180 63 429 655 71 2400 3600 6,95 3Fe 100 139 63 48 3 2,5 43 112 112 151 168 172 10 15 2,5 2 0,4 1,5 0,8
30332J2 160 340 75 913 1180 114 1500 2000 29,0 2 GB 160 233 68 58 5 4 61 201 180 290 323 310 9 17 4 3 0,35 1,7 0,9

Om oss Yinin

Shanghai Yinin -lager- och transmissionsföretag Etablerat 2009, med mer än 20 års erfarenhet inom lagerområdet. Vi är en kinesisk 33200 -serien Avsmalnande rullager tillverkare och tillhandahåller anpassade 33200 -serien Avsmalnande rullager fabriks. Sedan 1999 har vi agerat som agent för kinesiska lagertillverkare och exporterat olika lager. Idag har vi utvecklats till en omfattande lagerkoncern som integrerar försäljning och tillverkning.

Branschapplikationer

Lager spelar också en mycket viktig roll i jordbruksmaskiner. De används för att stödja roterande...

Bil

Lager används allmänt i bilar. De är de viktigaste och roterande delarna av många rörliga delar i...

Används för stöd, höjd, vinkel, led och roterande delar av medicinsk utrustning.

Används för stöd-, rotations-, motor- och kompressordelar av hushållsapparater.

Används för rotation och rörelse av support och styrdelar av automatiseringsutrustning

I byggnadsstrukturer kan lager användas för att ansluta olika strukturella komponenter.

I produktionsprocessen av mat och drycker behövs pumpar för att transportera vätskor och kompress...

Lager används i flygplan och rymdskeppsmotorer för att stödja roterande komponenter som turbiner,...

Nyheter och information

Läs mer

2026-02-26

Vilka är de kritiska skillnaderna mellan P6 och P5 prec...
I högprecisionsvärlden av Computer Numerical Control (CNC) bearbetning, prestanda 6000 kullager är grundläggande för att uppnå submikron noggrannhet. Som arbetshästen för 6000-serien spå...

2026-02-19

Teknisk analys: Vilka är de huvudsakliga skillnaderna m...
Inom området för högprecisionsteknik, välja rätt material för djupa spårkullager i rostfritt stål är ett beslut som dikterar livslängden och säkerheten för hela maskineriet. Sedan 199...

2026-02-12

Är ett kullager 6200 i rostfritt stål nödvändigt för in...
Inom området för roterande rörelseteknik är 6200-serien ett av de mest använda spårkullagren på grund av dess mångsidighet och optimerade radiella lastkapacitet. Men när man arbetar i industrimiljö...

Kontakta oss

SUBMIT

Teknisk rådgivning

  • Shanghai Yinin -lager- och transmissionsföretag

    Anpassade lösningar

  • Shanghai Yinin -lager- och transmissionsföretag

    Kontinuerlig forskning och utveckling

  • Shanghai Yinin -lager- och transmissionsföretag

    Kvalitetskontroll

  • Shanghai Yinin -lager- och transmissionsföretag

    Teknisk support och utbildning

  • Shanghai Yinin -lager- och transmissionsföretag

    Snabb respons

Om du har någon teknisk konsultation eller feedback kommer vi att ge dig det mest professionella svaret så snart som möjligt!

Kontakta oss