Hem / Produkt / Kullager / Tryckkullager / 51200 -serien
51200 -serien Tryckkullager
51200 -serien Tryckkullager
51200 -serien Tryckkullager

51200 -serien

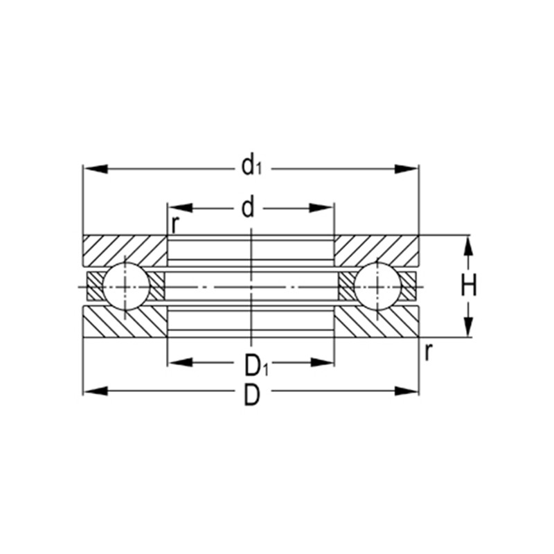
51200 -serien tryckkulslagret är ett rullande lager som är speciellt utformat för att bära axiell belastning. Det består vanligtvis av en eller flera sfärer och två lagringslopp. Denna typ av lager används huvudsakligen i applikationer som måste motstå stora axiella krafter, såsom mekanisk utrustning, bilar, flyg- och andra fält. Bollarna i 51200-serien är gjorda av höghårda material, som har god slitmotstånd och tryckhållfasthet och kan upprätthålla stabil prestanda under höghastighetsdrift. Den har en kompakt struktur och är lätt att installera, vilket gör den lämplig för användning i begränsade utrymmen. På grund av dess överlägsna prestanda och tillförlitlighet används 51200 -serie trycklager i allmänhet i industriell produktion och dagliga maskiner.

Skicka förfrågan

Produktparametrar

Beteckning Huvuddimensioner (mm) Grundläggande belastningsbetyg (KN) Begränsad hastighet (RPM) Vikt
d D T Dynamisk (CR) Statisk (cor) Fett Olja (kg)
51203 17 35 12 17 27.2 4500 6300 0.048
51204 20 40 14 22.2 37.5 3800 5300 0.075
51205 25 47 15 27.8 50.5 3400 4800 0.11
51206 30 52 16 28 54.2 3200 4500 0.13
51207 35 62 18 39.2 78.2 2800 4000 0.21
51208 40 68 19 47 98.2 2400 3600 0.26
51209 45 73 20 47.8 105 2200 3400 0.3
51210 50 78 22 48.5 112 2000 3200 0.37
51211 55 90 25 67.5 158 1900 3000 0.58
51212 60 95 26 73.5 178 1800 2800 0.66
51213 65 100 27 74.8 188 1700 2600 0.72
51214 70 105 27 73.5 188 1600 2400 0.75
51215 75 110 27 74.8 198 1500 2200 0.82
51216 80 115 28 83.8 222 1400 2000 0.9
51217 85 125 31 102 280 1300 1900 1.21
51218 90 135 35 115 315 1200 1800 1.65
51220 100 150 38 132 375 1100 1700 2.21
51222 110 160 38 138 412 1000 1600 2.39

Om oss Yinin

Shanghai Yinin -lager- och transmissionsföretag Etablerat 2009, med mer än 20 års erfarenhet inom lagerområdet. Vi är en kinesisk 51200 -serien Tryckkullager tillverkare och tillhandahåller anpassade 51200 -serien Tryckkullager fabriks. Sedan 1999 har vi agerat som agent för kinesiska lagertillverkare och exporterat olika lager. Idag har vi utvecklats till en omfattande lagerkoncern som integrerar försäljning och tillverkning.

Branschapplikationer

Lager spelar också en mycket viktig roll i jordbruksmaskiner. De används för att stödja roterande...

Bil

Lager används allmänt i bilar. De är de viktigaste och roterande delarna av många rörliga delar i...

Används för stöd, höjd, vinkel, led och roterande delar av medicinsk utrustning.

Används för stöd-, rotations-, motor- och kompressordelar av hushållsapparater.

Används för rotation och rörelse av support och styrdelar av automatiseringsutrustning

I byggnadsstrukturer kan lager användas för att ansluta olika strukturella komponenter.

I produktionsprocessen av mat och drycker behövs pumpar för att transportera vätskor och kompress...

Lager används i flygplan och rymdskeppsmotorer för att stödja roterande komponenter som turbiner,...

Nyheter och information

Läs mer

2026-02-26

Vilka är de kritiska skillnaderna mellan P6 och P5 prec...
I högprecisionsvärlden av Computer Numerical Control (CNC) bearbetning, prestanda 6000 kullager är grundläggande för att uppnå submikron noggrannhet. Som arbetshästen för 6000-serien spå...

2026-02-19

Teknisk analys: Vilka är de huvudsakliga skillnaderna m...
Inom området för högprecisionsteknik, välja rätt material för djupa spårkullager i rostfritt stål är ett beslut som dikterar livslängden och säkerheten för hela maskineriet. Sedan 199...

2026-02-12

Är ett kullager 6200 i rostfritt stål nödvändigt för in...
Inom området för roterande rörelseteknik är 6200-serien ett av de mest använda spårkullagren på grund av dess mångsidighet och optimerade radiella lastkapacitet. Men när man arbetar i industrimiljö...

Kontakta oss

SUBMIT

Teknisk rådgivning

  • Shanghai Yinin -lager- och transmissionsföretag

    Anpassade lösningar

  • Shanghai Yinin -lager- och transmissionsföretag

    Kontinuerlig forskning och utveckling

  • Shanghai Yinin -lager- och transmissionsföretag

    Kvalitetskontroll

  • Shanghai Yinin -lager- och transmissionsföretag

    Teknisk support och utbildning

  • Shanghai Yinin -lager- och transmissionsföretag

    Snabb respons

Om du har någon teknisk konsultation eller feedback kommer vi att ge dig det mest professionella svaret så snart som möjligt!

Kontakta oss