Hem / Produkt / Kullager / Tryckkullager / 51400 -serien
51400 -serien Tryckkullager
51400 -serien Tryckkullager
51400 -serien Tryckkullager

51400 -serien

51400 -serien tryckkullager är ett lager som är speciellt utformat för att motstå tryckbelastningar. De består vanligtvis av två ringar (inre och yttre) och en uppsättning bollar som ger rullande stöd mellan de inre och yttre ringarna. Denna serie lager har utmärkt lastbärande kapacitet och slitmotstånd och är lämplig för högbelastning och låg hastighetsapplikationer. 51400 Series tryckkullager används i stor utsträckning inom bil-, maskinproduktion, luftfart och andra branscher och kan effektivt minska friktionen och förbättra utrustningseffektiviteten för utrustningen. Dessutom är denna typ av lager relativt enkel att installera och underhålla, upprätthålla god prestanda i höga temperaturer och frätande miljöer och är en oundgänglig komponent i olika typer av mekanisk utrustning. Genom att välja lämpliga modeller och specifikationer kan användare tillgodose olika applikationsbehov och säkerställa utrustningens stabilitet och tillförlitlighet.

Skicka förfrågan

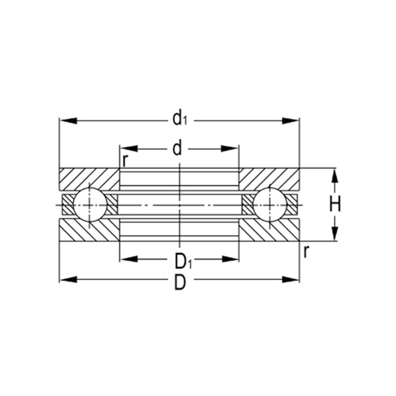
Produktparametrar

Beteckning Huvuddimensioner (mm) Grundläggande belastningsbetyg (KN) Begränsad hastighet (RPM) Vikt
d D T Dynamisk (CR) Statisk (cor) Fett Olja (kg)
51405 25 60 24 55.5 89.2 2200 3400 0.31
51406 30 70 28 72.5 125 1900 3000 0.51
51407 35 80 32 86.8 155 1700 2600 0.76
51408 40 90 36 112 205 1500 2200 1.06
51409 45 100 39 140 262 1400 2000 1.41
51410 50 110 43 160 302 1300 1900 1.86
51411 55 120 48 182 355 1100 1700 2.51
51412 60 130 51 200 395 1000 1600 3.08
51413 65 140 56 215 448 900 1400 3.91
51414 70 150 60 255 560 850 1300 4.85
51415 75 160 65 268 615 800 1200 6.08
51416 80 170 68 292 692 750 1100 7.12
51417 85 180 72 318 782 700 1000 8.28

Om oss Yinin

Shanghai Yinin -lager- och transmissionsföretag Etablerat 2009, med mer än 20 års erfarenhet inom lagerområdet. Vi är en kinesisk 51400 -serien Tryckkullager tillverkare och tillhandahåller anpassade 51400 -serien Tryckkullager fabriks. Sedan 1999 har vi agerat som agent för kinesiska lagertillverkare och exporterat olika lager. Idag har vi utvecklats till en omfattande lagerkoncern som integrerar försäljning och tillverkning.

Branschapplikationer

Lager spelar också en mycket viktig roll i jordbruksmaskiner. De används för att stödja roterande...

Bil

Lager används allmänt i bilar. De är de viktigaste och roterande delarna av många rörliga delar i...

Används för stöd, höjd, vinkel, led och roterande delar av medicinsk utrustning.

Används för stöd-, rotations-, motor- och kompressordelar av hushållsapparater.

Används för rotation och rörelse av support och styrdelar av automatiseringsutrustning

I byggnadsstrukturer kan lager användas för att ansluta olika strukturella komponenter.

I produktionsprocessen av mat och drycker behövs pumpar för att transportera vätskor och kompress...

Lager används i flygplan och rymdskeppsmotorer för att stödja roterande komponenter som turbiner,...

Nyheter och information

Läs mer

2026-02-26

Vilka är de kritiska skillnaderna mellan P6 och P5 prec...
I högprecisionsvärlden av Computer Numerical Control (CNC) bearbetning, prestanda 6000 kullager är grundläggande för att uppnå submikron noggrannhet. Som arbetshästen för 6000-serien spå...

2026-02-19

Teknisk analys: Vilka är de huvudsakliga skillnaderna m...
Inom området för högprecisionsteknik, välja rätt material för djupa spårkullager i rostfritt stål är ett beslut som dikterar livslängden och säkerheten för hela maskineriet. Sedan 199...

2026-02-12

Är ett kullager 6200 i rostfritt stål nödvändigt för in...
Inom området för roterande rörelseteknik är 6200-serien ett av de mest använda spårkullagren på grund av dess mångsidighet och optimerade radiella lastkapacitet. Men när man arbetar i industrimiljö...

Kontakta oss

SUBMIT

Teknisk rådgivning

  • Shanghai Yinin -lager- och transmissionsföretag

    Anpassade lösningar

  • Shanghai Yinin -lager- och transmissionsföretag

    Kontinuerlig forskning och utveckling

  • Shanghai Yinin -lager- och transmissionsföretag

    Kvalitetskontroll

  • Shanghai Yinin -lager- och transmissionsföretag

    Teknisk support och utbildning

  • Shanghai Yinin -lager- och transmissionsföretag

    Snabb respons

Om du har någon teknisk konsultation eller feedback kommer vi att ge dig det mest professionella svaret så snart som möjligt!

Kontakta oss