Hem / Produkt / Kullager / Spåra rullager / SG -serie
SG -serie Spåra rullager
SG -serie Spåra rullager
SG -serie Spåra rullager

SG -serie

SG Series orbital rullager är en högpresterande lagerprodukt speciellt utformad för spår- och guidesystem. De använder avancerade tillverkningsprocesser och högkvalitativa material för att säkerställa stabilitet och hållbarhet under extrema förhållanden. Detta lager har utmärkt lastbärande kapacitet och slitmotstånd och är lämplig för tunga applikationer och höghastighetsapplikationer som järnvägar, byggmaskiner och transportutrustning. Designfunktioner i SG -serien inkluderar optimerade rullande element och inre och yttre ringformer för att minska friktionen och förbättra effektiviteten. Dessutom fungerar dessa lager också bra när det gäller tätning och dammmotstånd, vilket effektivt förlänger deras livslängd. Oavsett om det är i hårda miljöer eller komplexa driftsförhållanden kan SG -serie Orbital rullager ge tillförlitlig prestanda och säkerställa en säker drift av utrustning.

Skicka förfrågan

SG -serie spårrullslager-High-Load, Long-Life Industrial Solutions

SG Series Track Roller Bearings är tunga rullager som är utformade för hårda industriella miljöer, lämpliga för hög påverkan, kontinuerlig drift och extrema temperaturförhållanden. De är gjorda av högkvalitativa stål- och precisionstillverkningsprocesser och säkerställer låg friktion, hög styvhet och ultralång livslängd, vilket gör dem idealiska för byggmaskiner, automatiseringsutrustning och järnvägssystem.

Utmärkt hållbarhet
Tillverkad av vakuumavgasat lagerstål (SUJ2), med en hårdhet på HRC 60-64, ökas slitmotståndet med 50%.
Ytfosfateringsbehandling, rostsäker prestanda uppfyller ISO-standarder, lämpliga för hårda miljöer som luftfuktighet och damm.

Hög belastningskapacitet
Dynamisk belastningsgradering (C) når XX KN, statisk belastning (C0) når XX KN (fyll i enligt faktiska data), vilket stödjer radiella och axiella kombinerade krafter.
Stärkta yttre ringdesign, slagmotstånd är 30% bättre än liknande produkter.

Lågt underhållsdesign
Förmörjad tätningsstruktur (valfri LLB-tätning eller metalldammskydd), smörj liv upp till 10 000 timmar.
Modulär design stöder snabb ersättning och minskar driftsstopp.

Exakt drift
Toleransgrad upp till ISO P6 är det driftsvärde som är lägre än branschstandarden, lämplig för högprecisionsstyrningssystem.

Varför välja vår SG -serie?
Anpassad service: Stöd icke-standardstorlek, specialbeläggning (som nickelplätering) och anpassning av smörjmedel.
Global Verification: Produkter exporteras till 30 länder.

Applikationsscenarier
Industriella maskiner: Tryckmaskiner, pappersmaskiner, automatiseringsmaskiner, textilmaskiner, automater, träbearbetningsmaskiner, förpackningsmaskiner
Elektronisk utrustning: robotarmar, mätutrustning, X-Y-plattformar, medicinsk utrustning, fabriksautomationsutrustning
Rotary Machinery: metallvärmebehandlingsreaktorer, bromssystem etc.
Aerospace Industry: Flygplanbromsar, sittbromsar, missiler, flygplatsutrustning etc.
Andra: sända antennbromsar, dörr- och fönsterkontroller, medicinska sängkontroller, parkeringsanläggningar, maskinverktygsdörrar, laboratorieutomation osv.

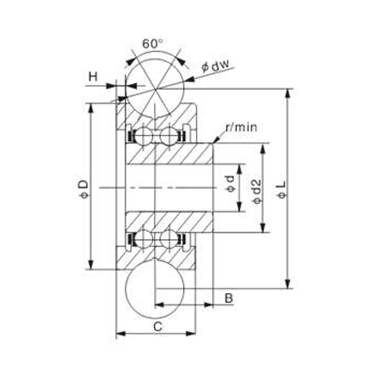
Produktparametrar

Typ Dimensioner (mm) Load (KN) Vikt
dj d D C B L d2 H Cw Ko (Kg)
SG15 6 5 17 8 5.75 20.46 8.6 1 1.27 0.82 8
SG15-10 10 5 17 8 5.75 25.5 8.6 1 1.27 0.82 9
SG20 8 6 24 11 7.25 28.62 11.1 1.2 3.4 1.7 25
SG25 10 8 30 14 8.5 35.77 13 1.5 3.67 2.28 49
Sg35 12 12 42 19 12.5 48.93 18 1.5 8.5 5.1 136
SG15N 6 5 17 8 5.75 20.46 8.6 0.5 1.27 0.82 8
Sg20n 8 6 24 11 7.25 28.62 11.1 0.7 3.4 1.7 25
Sg25n 10 8 30 14 8.5 35.77 13 1 3.67 2.28 49
SG35N 12 12 42 19 12.5 48.93 18 1 8.5 5.1 136

Om oss Yinin

Shanghai Yinin -lager- och transmissionsföretag Etablerat 2009, med mer än 20 års erfarenhet inom lagerområdet. Vi är en kinesisk SG -serie Spåra rullager tillverkare och tillhandahåller anpassade SG -serie Spåra rullager fabriks. Sedan 1999 har vi agerat som agent för kinesiska lagertillverkare och exporterat olika lager. Idag har vi utvecklats till en omfattande lagerkoncern som integrerar försäljning och tillverkning.

Branschapplikationer

Lager spelar också en mycket viktig roll i jordbruksmaskiner. De används för att stödja roterande...

Bil

Lager används allmänt i bilar. De är de viktigaste och roterande delarna av många rörliga delar i...

Används för stöd, höjd, vinkel, led och roterande delar av medicinsk utrustning.

Används för stöd-, rotations-, motor- och kompressordelar av hushållsapparater.

Används för rotation och rörelse av support och styrdelar av automatiseringsutrustning

I byggnadsstrukturer kan lager användas för att ansluta olika strukturella komponenter.

I produktionsprocessen av mat och drycker behövs pumpar för att transportera vätskor och kompress...

Lager används i flygplan och rymdskeppsmotorer för att stödja roterande komponenter som turbiner,...

Nyheter och information

Läs mer

2026-02-26

Vilka är de kritiska skillnaderna mellan P6 och P5 prec...
I högprecisionsvärlden av Computer Numerical Control (CNC) bearbetning, prestanda 6000 kullager är grundläggande för att uppnå submikron noggrannhet. Som arbetshästen för 6000-serien spå...

2026-02-19

Teknisk analys: Vilka är de huvudsakliga skillnaderna m...
Inom området för högprecisionsteknik, välja rätt material för djupa spårkullager i rostfritt stål är ett beslut som dikterar livslängden och säkerheten för hela maskineriet. Sedan 199...

2026-02-12

Är ett kullager 6200 i rostfritt stål nödvändigt för in...
Inom området för roterande rörelseteknik är 6200-serien ett av de mest använda spårkullagren på grund av dess mångsidighet och optimerade radiella lastkapacitet. Men när man arbetar i industrimiljö...

Kontakta oss

SUBMIT

Teknisk rådgivning

  • Shanghai Yinin -lager- och transmissionsföretag

    Anpassade lösningar

  • Shanghai Yinin -lager- och transmissionsföretag

    Kontinuerlig forskning och utveckling

  • Shanghai Yinin -lager- och transmissionsföretag

    Kvalitetskontroll

  • Shanghai Yinin -lager- och transmissionsföretag

    Teknisk support och utbildning

  • Shanghai Yinin -lager- och transmissionsföretag

    Snabb respons

Om du har någon teknisk konsultation eller feedback kommer vi att ge dig det mest professionella svaret så snart som möjligt!

Kontakta oss